
LI
Perfil angular lados iguales

LD

CE
Perfil C Estándar
Dimensiones

IE

IR
Perfil I Rectangular

TR
Dimensiones y propiedades del perfil P.E.R.

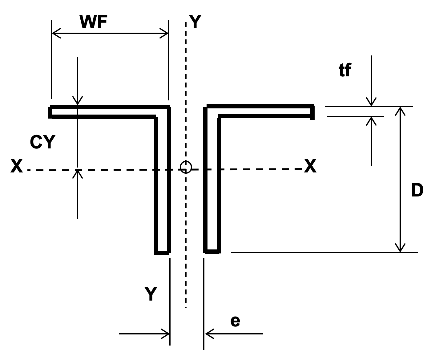
IS
Perfil I Soldado
Dimensiones y propiedades

OS
Dimensiones y propiedades

OC
Tubo Circular
Dimensiones y propiedades

CF
Perfil C formado en frío
Dimensiones

OR
OR Tubo Cuadrado
Dimensiones y propiedades

OR
Tubo rectangular
Dimensiones y propiedades

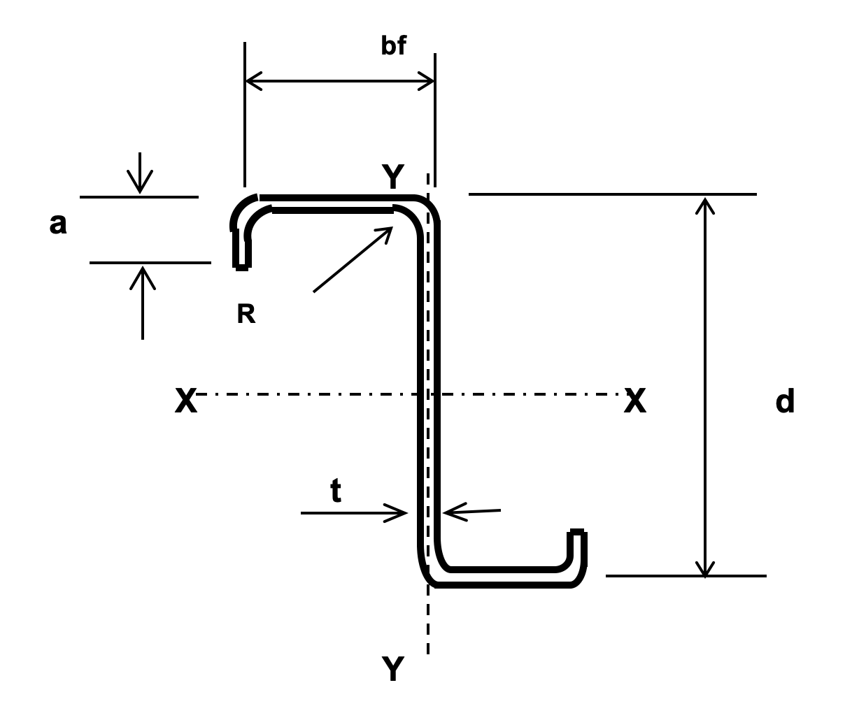
ZF
Perfil Z formado en frío
Dimensiones

Lámina y placa
Lámina rolada caliente
Lámina rolada en frío
Lámina antiderrapante
Lámina galvanizada
Placa Grado A 36

Dimensiones y características de la tubería para conducción tipo industrial ASTM A-120 (NOM-B-10) y ASTM A-53 (NOM-B-177)

Dimensiones y características de la tubería sin prueba hidrostática (para uso mecánico) ASTM A-500

Dos ángulos de lados iguales en T

ESTRELLA
Ángulos en estrella de lados iguales

2CPS

Tornillos
Longitud y pesos de tornillos

MON-TEN

PTR
Dimensiones y propiedades del perfil PTR.

SOLERA

Redondos, cuadrados
y barras mecánicas

